Durante i discorsi sulle piscine si usa molto spesso il termine TECNICA DELLE PISCINE. Nel maggiore dei casi senza sapere di cosa si tratta.

 

La tecnica delle piscine sono tutti quegli elementi "particolari" che servono nella costruzione di una piscina.

 

Un tempo questi errano elementi da installare nelle pareti delle piscine in cemento armato, le tubazioni necessarie per il collegamento con il locale tecnico e il depuratore per l'acqua della piscina, il tutto con l'impianto elettrico per l'alimentazione.

 

Oggi il termine di tecnica delle piscine e degli accessori comprende anche diversi sistemi e materiali per la sistemazione della piscina. In questa denominazione si trovano soluzioni moderne per la costruzione stessa della piscina e non soltanto per gli accessori. Comprende le piscine prefabbricate, piscine in poliestere e alcune piscine liner.

 

La denominazione della tecnica delle piscine e degli accessori comprende innumerevoli apparecchiature ed equipaggiamenti che non sono indispensabili per il funzionamento della piscina. Possiamo dire che quasi non esiste piscina che oltre al depuratore essenziale non sia equipaggiata con accessori supplementari.

 

Le più comuni sono le diverse illuminazioni subacquee, il riscaldamento dell'acqua, le varie coperture, scalette, scivoli, diversi sistemi automatici per la disinfezione dell'acqua, altoparlanti subacquei, idromassaggi e sistemi di nuoto (controcorrente), ecc...

 

 

 

bazenska_tehnika2.jpg (16143 bytes)

Resta pero sempre il fatto che il termine tecnica delle piscine non comprende le opere d'edilizia classica come gli scavi, betonaggio, installazione degli elementi nelle pareti della piscina, ecc...

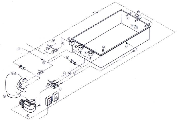
bazenska_tehnika.jpg (105993 bytes)

In figura gli accessori più comuni delle piscine private.

 

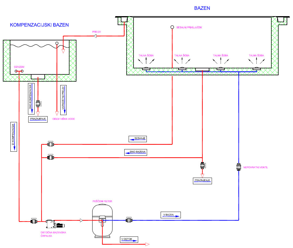
Oltre le piscine con Skimmer (vedi anche PISCINA SI, MA QUALE?), la piscina può essere anche del tipo a sfioro. Questo tipo di piscine per funzionare necessità di una vasca di compensazione che si trova nascosta sul bordo o nel locale tecnico (vedi anche DIZIONARIO DEI TERMINI), nel quale l'acqua si riversa dalla piscina. Le piscine a sfioro possono avere il canale su tutto il perimetro della piscina oppure solo su un lato, ecc... L'equipaggiamento di base nella piscina a sfioro è simile all'equipaggiamento di una piscina con gli Skimmer e si differenzia per l'aggiunta della vasca di compensazione e per la restituzione dell'acqua nella piscina in un modo diverso.

 

 

 

 Schema di funzionamento della piscina a sfioro.

 

 

A causa delle diverse possibilità di costruzione e di equipaggiamento di una piscina, la "tecnica della piscina" deve sempre essere adeguata al tipo della piscina (Skimmer — a sfioro), al sistema di costruzione (in cemento, Liner, in poliestere) e al tipo e quantità di accessori nella piscina.

 

LE COMPONENTI DELLA PISCINA

 

 

Altre informazioni: titro@titro.si   Telefono: +386 5 330 96 10,   +386 5 330 96 21

 

ORARIO DI APERTURA:

IN ALTA STAGIONE, tra 1. aprile e 15. settembre: 

durante la settimana:   dalle 7:30 alle 18:00

e il sabato:   dalle 8:00 alle 12:00 

FUORI STAGIONE, tra 16. settembre e 31. marzo: 

durante la settimana:   dalle 7:30 alle 16:00

  Previo accordo è possibile visitarci anche fuori orario, tranne la domenica e giorni festivi.


home page

 (c) TITRO d.o.o.  1999 - 2010. TUTTI DIRITTI D’AUTORE RISERVATI.
USO DEL CONTENUTO O IMMAGINI SOLO CON IL NOSTRO CONSENCO SCRITTO!

Ultima modifica 03. november 2010